Подшипник SBPP203 (KOYO)

Подшипник SBPP203 (KOYO)

Технические характеристики

Обозначение : SBPP203

Производитель : KOYO

Диаметр внутренний, мм : 17

Высота, мм : 22

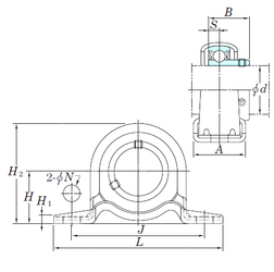
Технические данные из каталога производителя :

Внутренний диаметр (d) - 17 мм.

Размер (A) - 25 мм.

Размер (B) - 22 мм.

Размер (H) - 22,2 мм.

Размер (H1) - 3,2 мм.

Размер (H2) - 43,8 мм.

Размер (J) - 68 мм.

Размер (L) - 86

Размер (N) - 9,5 мм.

Размер (S) - 6 мм.

Болт (G) - M8

Масса - 0,16 Кг

Грузоподъемность динамическая (C) - 9,55 кН

Грузоподъемность статическая (C0) - 4,8 кН

Расчетный коэффициент (f0) - 13,2

Количество дорожек качения - 1

Уплотнение - Есть

Цены указаны ознакомительные, для уточнения цены и наличия просим связаться с нами по телефону, или отправить заявку на почту - sales@specprompodshipnik.ru или по тел.: +7(499) 369-70-54

Возврат к списку