Подшипник SBPFL207-20 (KOYO)

Подшипник SBPFL207-20 (KOYO)

Технические характеристики

Обозначение : SBPFL207-20

Производитель : KOYO

Диаметр внутренний, мм : 31,75

Высота, мм : 32

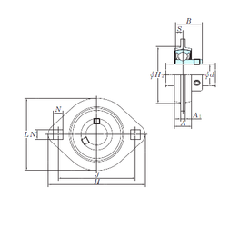
Технические данные из каталога производителя :

Внутренний диаметр (d) - 31,75 мм.

Размер (A) - 22 мм.

Размер (A1) - 5,2 мм.

Размер (B) - 32 мм.

Размер (H) - 122 мм.

Размер (H2) - 81 мм.

Размер (J) - 100 мм.

Размер (L) - 94

Размер (N) - 11 мм.

Размер (S) - 8,5 мм.

Болт (G) - M10

Масса - 0,66 Кг

Грузоподъемность динамическая (C) - 25,7 кН

Грузоподъемность статическая (C0) - 15,4 кН

Расчетный коэффициент (f0) - 13,9

Количество дорожек качения - 1

Уплотнение - Есть

Цены указаны ознакомительные, для уточнения цены и наличия просим связаться с нами по телефону, или отправить заявку на почту - sales@specprompodshipnik.ru или по тел.: +7(499) 369-70-54

Возврат к списку