Подшипник SBPFL204 (KOYO)

Подшипник SBPFL204 (KOYO)

Технические характеристики

Обозначение : SBPFL204

Производитель : KOYO

Диаметр внутренний, мм : 20

Высота, мм : 25

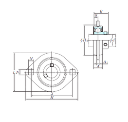
Технические данные из каталога производителя :

Внутренний диаметр (d) - 20 мм.

Размер (A) - 16 мм.

Размер (A1) - 4 мм.

Размер (B) - 25 мм.

Размер (H) - 90 мм.

Размер (H2) - 55 мм.

Размер (J) - 71,5 мм.

Размер (L) - 67

Размер (N) - 9 мм.

Размер (S) - 7 мм.

Болт (G) - M8

Масса - 0,24 Кг

Грузоподъемность динамическая (C) - 12,8 кН

Грузоподъемность статическая (C0) - 6,65 кН

Расчетный коэффициент (f0) - 13,2

Количество дорожек качения - 1

Уплотнение - Есть

Цены указаны ознакомительные, для уточнения цены и наличия просим связаться с нами по телефону, или отправить заявку на почту - sales@specprompodshipnik.ru или по тел.: +7(499) 369-70-54

Возврат к списку