Подшипник SBPF206-19 (KOYO)

Подшипник SBPF206-19 (KOYO)

Технические характеристики

Обозначение : SBPF206-19

Производитель : KOYO

Диаметр внутренний, мм : 28,575

Высота, мм : 30

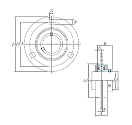
Технические данные из каталога производителя :

Внутренний диаметр (d) - 28,575 мм.

Размер (A) - 19 мм.

Размер (A1) - 5,2 мм.

Размер (B) - 30 мм.

Размер (H) - 113 мм.

Размер (H2) - 71 мм.

Размер (J) - 90,5 мм.

Размер (N) - 11 мм.

Размер (S) - 8 мм.

Болт (G) - M10

Масса - 0,62 Кг

Грузоподъемность динамическая (C) - 19,5 кН

Грузоподъемность статическая (C0) - 11,3 кН

Расчетный коэффициент (f0) - 13,9

Количество дорожек качения - 1

Уплотнение - Есть

Цены указаны ознакомительные, для уточнения цены и наличия просим связаться с нами по телефону, или отправить заявку на почту - sales@specprompodshipnik.ru или по тел.: +7(499) 369-70-54

Возврат к списку