Подшипник SAPFL205-14 (KOYO)

Подшипник SAPFL205-14 (KOYO)

Технические характеристики

Обозначение : SAPFL205-14

Производитель : KOYO

Диаметр внутренний, мм : 20,6375

Высота, мм : 30,5

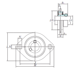
Технические данные из каталога производителя :

Внутренний диаметр (d) - 20,6375 мм.

Размер (A) - 18 мм.

Размер (A1) - 4 мм.

Размер (B) - 30,5 мм.

Размер (H) - 95 мм.

Размер (H2) - 60 мм.

Размер (J) - 76 мм.

Размер (L) - 71

Размер (N) - 9 мм.

Размер (S) - 7,5 мм.

Болт (G) - M8

Масса - 0,32 Кг

Грузоподъемность динамическая (C) - 14 кН

Грузоподъемность статическая (C0) - 7,85 кН

Расчетный коэффициент (f0) - 13,9

Количество дорожек качения - 1

Уплотнение - Есть

Цены указаны ознакомительные, для уточнения цены и наличия просим связаться с нами по телефону, или отправить заявку на почту - sales@specprompodshipnik.ru или по тел.: +7(499) 369-70-54

Возврат к списку