Подшипник SAPFL203 (KOYO)

Подшипник SAPFL203 (KOYO)

Технические характеристики

Обозначение : SAPFL203

Производитель : KOYO

Диаметр внутренний, мм : 17

Высота, мм : 28,5

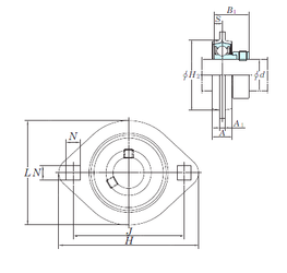
Технические данные из каталога производителя :

Внутренний диаметр (d) - 17 мм.

Размер (A) - 14 мм.

Размер (A1) - 4 мм.

Размер (B) - 28,5 мм.

Размер (H) - 81 мм.

Размер (H2) - 49 мм.

Размер (J) - 63,5 мм.

Размер (L) - 59

Размер (N) - 7,1 мм.

Размер (S) - 6 мм.

Болт (G) - M6

Масса - 0,22 Кг

Грузоподъемность динамическая (C) - 9,55 кН

Грузоподъемность статическая (C0) - 4,8 кН

Расчетный коэффициент (f0) - 13,2

Количество дорожек качения - 1

Уплотнение - Есть

Цены указаны ознакомительные, для уточнения цены и наличия просим связаться с нами по телефону, или отправить заявку на почту - sales@specprompodshipnik.ru или по тел.: +7(499) 369-70-54

Возврат к списку