Подшипник S5PP2RTF (Timken)

Подшипник S5PP2RTF (Timken)

Технические характеристики

Обозначение : S5PP2RTF

Производитель : Timken

Диаметр внутренний, мм : 12,700

Диаметр наружный, мм : 34,925

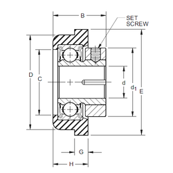
Технические данные из каталога производителя :

Внутренний диаметр (d) - 12,700 мм.

Наружный диаметр (D) - 35,255 мм.

Наружный диаметр (D1) - 34,925

Размер (d1) - 23,019 мм.

Размер (B) - 17,859 мм.

Размер (C) - 25,4 мм.

Размер (E) - 38,894 мм.

Размер (G) - 3,969 мм.

Размер (H) - 11,906 мм.

Количество дорожек качения - 1

Уплотнение - Есть

Цены указаны ознакомительные, для уточнения цены и наличия просим связаться с нами по телефону, или отправить заявку на почту - sales@specprompodshipnik.ru или по тел.: +7(499) 369-70-54

Возврат к списку