Подшипник S3PP4RTF (Timken)

Подшипник S3PP4RTF (Timken)

Технические характеристики

Обозначение : S3PP4RTF

Производитель : Timken

Диаметр внутренний, мм : 9,525

Диаметр наружный, мм : 26,975

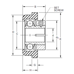
Технические данные из каталога производителя :

Внутренний диаметр (d) - 9,525 мм.

Наружный диаметр (D) - 27,280 мм.

Наружный диаметр (D1) - 26,975

Размер (d1) - 19,844 мм.

Размер (B) - 15,875 мм.

Размер (C) - 19,05 мм.

Размер (E) - 30,956 мм.

Размер (G) - 3,969 мм.

Размер (H) - 10,319 мм.

Количество дорожек качения - 1

Уплотнение - Есть

Цены указаны ознакомительные, для уточнения цены и наличия просим связаться с нами по телефону, или отправить заявку на почту - sales@specprompodshipnik.ru или по тел.: +7(499) 369-70-54

Возврат к списку