Подшипник S1PP73RTF (Timken)

Подшипник S1PP73RTF (Timken)

Технические характеристики

Обозначение : S1PP73RTF

Производитель : Timken

Диаметр внутренний, мм : 6,350

Диаметр наружный, мм : 19,05

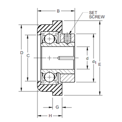
Технические данные из каталога производителя :

Внутренний диаметр (d) - 6,350 мм.

Наружный диаметр (D) - 19,355 мм.

Наружный диаметр (D1) - 19,05

Размер (d1) - 14,287 мм.

Размер (B) - 11,906 мм.

Размер (C) - 13,494 мм.

Размер (E) - 22,225 мм.

Размер (G) - 1,984 мм.

Размер (H) - 7,541 мм.

Количество дорожек качения - 1

Уплотнение - Есть

Цены указаны ознакомительные, для уточнения цены и наличия просим связаться с нами по телефону, или отправить заявку на почту - sales@specprompodshipnik.ru или по тел.: +7(499) 369-70-54

Возврат к списку