Подшипник RTUEY80 (INA)

Подшипник RTUEY80 (INA)

Технические характеристики

Обозначение : RTUEY80

Производитель : INA

Диаметр внутренний, мм : 80

Технические данные из каталога производителя :

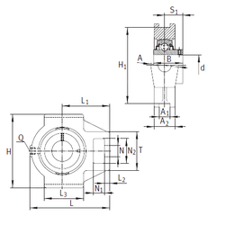
Внутренний диаметр (d) - 80 мм.

Размер (S1) - 49,3

Резьба (Q) - Rp1/8

Размер (L2) - 20

Размер (L3) - 120

Размер (A) - 70 мм.

Размер (A1) - 28 мм.

Размер (B) - 82,6 мм.

Размер (H) - 184 мм.

Размер (H1) - 165 мм.

Размер (L) - 230

Размер (L1) - 140 мм.

Размер (N) - 41 мм.

Размер (N1) - 35 мм.

Размер (T) - 110

Размер (A2) - 50

Размер (N2) - 70

Масса - 7,63 Кг

Грузоподъемность динамическая (C) - 72 кН

Грузоподъемность статическая (C0) - 54 кН

Количество дорожек качения - 1

Уплотнение - Есть

Цены указаны ознакомительные, для уточнения цены и наличия просим связаться с нами по телефону, или отправить заявку на почту - sales@specprompodshipnik.ru или по тел.: +7(499) 369-70-54

Возврат к списку