Подшипник RTUEY65-214 (INA)

Подшипник RTUEY65-214 (INA)

Технические характеристики

Обозначение : RTUEY65-214

Производитель : INA

Диаметр внутренний, мм : 65

Технические данные из каталога производителя :

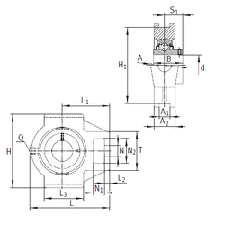
Внутренний диаметр (d) - 65 мм.

Размер (S1) - 44,4

Резьба (Q) - Rp1/8

Размер (L2) - 20

Размер (L3) - 120

Размер (A) - 70 мм.

Размер (A1) - 25 мм.

Размер (B) - 74,6 мм.

Размер (H) - 166 мм.

Размер (H1) - 151 мм.

Размер (L) - 214

Размер (L1) - 135 мм.

Размер (N) - 41 мм.

Размер (N1) - 35 мм.

Размер (T) - 110

Размер (A2) - 50

Размер (N2) - 70

Масса - 7 Кг

Грузоподъемность динамическая (C) - 62 кН

Грузоподъемность статическая (C0) - 44 кН

Количество дорожек качения - 1

Уплотнение - Есть

Цены указаны ознакомительные, для уточнения цены и наличия просим связаться с нами по телефону, или отправить заявку на почту - sales@specprompodshipnik.ru или по тел.: +7(499) 369-70-54

Возврат к списку