Подшипник RTUEY45 (NKE)

Подшипник RTUEY45 (NKE)

Технические характеристики

Обозначение : RTUEY45

Производитель : NKE

Диаметр внутренний, мм : 45

Технические данные из каталога производителя :

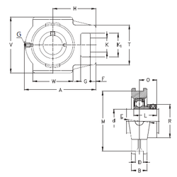
Внутренний диаметр (d) - 45 мм.

Размер (V) - 115

Размер (K1) - 49

Размер (O) - 30,2

Размер (A) - 141 мм.

Размер (B) - 35 мм.

Размер (D) - 16 мм.

Размер (E) - 50 мм.

Размер (F) - 16 мм.

Размер (G) - 20 мм.

Размер (H) - 88 мм.

Размер (K) - 29 мм.

Размер (L) - 49,2

Размер (M) - 102 мм.

Размер (T) - 82

Размер (W) - 82

Масса - 2,5 Кг

Количество дорожек качения - 1

Уплотнение - Есть

Цены указаны ознакомительные, для уточнения цены и наличия просим связаться с нами по телефону, или отправить заявку на почту - sales@specprompodshipnik.ru или по тел.: +7(499) 369-70-54

Возврат к списку