Подшипник RTUEO90 (INA)

Подшипник RTUEO90 (INA)

Технические характеристики

Обозначение : RTUEO90

Производитель : INA

Диаметр внутренний, мм : 90

Технические данные из каталога производителя :

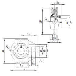
Внутренний диаметр (d) - 90 мм.

Размер (S1) - 65,5

Резьба (Q) - Rp1/8

Размер (L2) - 30

Размер (L3) - 165

Размер (d3) - 132 мм.

Размер (A) - 110 мм.

Размер (A1) - 32 мм.

Размер (B1) - 101 мм.

Размер (H) - 255 мм.

Размер (H1) - 2281) мм.

Размер (L) - 312

Размер (L1) - 192 мм.

Размер (N) - 57 мм.

Размер (N1) - 46 мм.

Размер (T) - 160

Размер (A2) - 66

Размер (N2) - 106

Масса - 22,9 Кг

Грузоподъемность динамическая (C) - 143 кН

Грузоподъемность статическая (C0) - 107 кН

Количество дорожек качения - 1

Уплотнение - Есть

Цены указаны ознакомительные, для уточнения цены и наличия просим связаться с нами по телефону, или отправить заявку на почту - sales@specprompodshipnik.ru или по тел.: +7(499) 369-70-54

Возврат к списку