Подшипник RTUEO 100 (NKE)

Подшипник RTUEO 100 (NKE)

Технические характеристики

Обозначение : RTUEO 100

Производитель : NKE

Диаметр внутренний, мм : 100

Технические данные из каталога производителя :

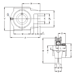
Внутренний диаметр (d) - 100 мм.

Размер (V) - 290

Размер (K1) - 115

Размер (O) - 70

Размер (A) - 345 мм.

Размер (B) - 75 мм.

Размер (D) - 35 мм.

Размер (E) - 120 мм.

Размер (F) - 32 мм.

Размер (G) - 48 мм.

Размер (H) - 210 мм.

Размер (K) - 59 мм.

Размер (L) - 109

Размер (M) - 260 мм.

Размер (R) - 145 мм.

Размер (T) - 175

Размер (W) - 190

Резьба (G) - R1/8“

Масса - 31,35 Кг

Количество дорожек качения - 1

Уплотнение - Есть

Цены указаны ознакомительные, для уточнения цены и наличия просим связаться с нами по телефону, или отправить заявку на почту - sales@specprompodshipnik.ru или по тел.: +7(499) 369-70-54

Возврат к списку