Подшипник RTUE50 (INA)

Подшипник RTUE50 (INA)

Технические характеристики

Обозначение : RTUE50

Производитель : INA

Диаметр внутренний, мм : 50

Технические данные из каталога производителя :

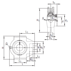
Внутренний диаметр (d) - 50 мм.

Размер (S1) - 38,2

Резьба (Q) - Rp1/8

Размер (L2) - 16

Размер (L3) - 85

Размер (d3) - 69 мм.

Размер (A) - 50 мм.

Размер (A1) - 16 мм.

Размер (B1) - 62,8 мм.

Размер (H) - 115 мм.

Размер (H1) - 102 мм.

Размер (L) - 148

Размер (L1) - 90 мм.

Размер (N) - 29 мм.

Размер (N1) - 20 мм.

Размер (T) - 83

Размер (A2) - 35

Размер (N2) - 49

Масса - 2,57 Кг

Грузоподъемность динамическая (C) - 35 кН

Грузоподъемность статическая (C0) - 23,2 кН

Количество дорожек качения - 1

Уплотнение - Есть

Цены указаны ознакомительные, для уточнения цены и наличия просим связаться с нами по телефону, или отправить заявку на почту - sales@specprompodshipnik.ru или по тел.: +7(499) 369-70-54

Возврат к списку