Подшипник RTUE40 (NKE)

Подшипник RTUE40 (NKE)

Технические характеристики

Обозначение : RTUE40

Производитель : NKE

Диаметр внутренний, мм : 40

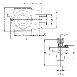
Технические данные из каталога производителя :

Внутренний диаметр (d) - 40 мм.

Размер (V) - 115

Размер (K1) - 49

Размер (O) - 34,9

Размер (A) - 141 мм.

Размер (B) - 35 мм.

Размер (D) - 16 мм.

Размер (E) - 50 мм.

Размер (F) - 16 мм.

Размер (G) - 20 мм.

Размер (H) - 88 мм.

Размер (K) - 29 мм.

Размер (L) - 56,3

Размер (M) - 102 мм.

Размер (R) - 58 мм.

Размер (T) - 82

Размер (W) - 82

Резьба (G) - R1/8“

Масса - 2,52 Кг

Количество дорожек качения - 1

Уплотнение - Есть

Цены указаны ознакомительные, для уточнения цены и наличия просим связаться с нами по телефону, или отправить заявку на почту - sales@specprompodshipnik.ru или по тел.: +7(499) 369-70-54

Возврат к списку