Подшипник RTUE35 (INA)

Подшипник RTUE35 (INA)

Технические характеристики

Обозначение : RTUE35

Производитель : INA

Диаметр внутренний, мм : 35

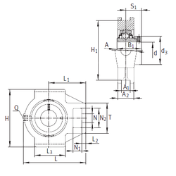
Технические данные из каталога производителя :

Внутренний диаметр (d) - 35 мм.

Размер (S1) - 32,5

Резьба (Q) - Rp1/8

Размер (L2) - 13

Размер (L3) - 63

Размер (d3) - 51 мм.

Размер (A) - 40 мм.

Размер (A1) - 12 мм.

Размер (B1) - 51,3 мм.

Размер (H) - 102 мм.

Размер (H1) - 89 мм.

Размер (L) - 131,5

Размер (L1) - 80 мм.

Размер (N) - 22 мм.

Размер (N1) - 18 мм.

Размер (T) - 64

Размер (A2) - 30

Размер (N2) - 36,5

Масса - 1,8 Кг

Грузоподъемность динамическая (C) - 25,5 кН

Грузоподъемность статическая (C0) - 15,3 кН

Количество дорожек качения - 1

Уплотнение - Есть

Цены указаны ознакомительные, для уточнения цены и наличия просим связаться с нами по телефону, или отправить заявку на почту - sales@specprompodshipnik.ru или по тел.: +7(499) 369-70-54

Возврат к списку