Подшипник RTUE30 (INA)

Подшипник RTUE30 (INA)

Технические характеристики

Обозначение : RTUE30

Производитель : INA

Диаметр внутренний, мм : 30

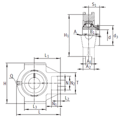
Технические данные из каталога производителя :

Внутренний диаметр (d) - 30 мм.

Размер (S1) - 30,2

Резьба (Q) - Rp1/8

Размер (L2) - 10

Размер (L3) - 57

Размер (d3) - 44 мм.

Размер (A) - 37 мм.

Размер (A1) - 12 мм.

Размер (B1) - 48,5 мм.

Размер (H) - 102 мм.

Размер (H1) - 89 мм.

Размер (L) - 114,5

Размер (L1) - 70 мм.

Размер (N) - 22 мм.

Размер (N1) - 18 мм.

Размер (T) - 56

Размер (A2) - 25

Размер (N2) - 36,5

Масса - 1,24 Кг

Грузоподъемность динамическая (C) - 19,5 кН

Грузоподъемность статическая (C0) - 11,3 кН

Количество дорожек качения - 1

Уплотнение - Есть

Цены указаны ознакомительные, для уточнения цены и наличия просим связаться с нами по телефону, или отправить заявку на почту - sales@specprompodshipnik.ru или по тел.: +7(499) 369-70-54

Возврат к списку