Подшипник RTUE25 (INA)

Подшипник RTUE25 (INA)

Технические характеристики

Обозначение : RTUE25

Производитель : INA

Диаметр внутренний, мм : 25

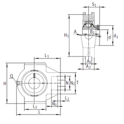
Технические данные из каталога производителя :

Внутренний диаметр (d) - 25 мм.

Размер (S1) - 27

Резьба (Q) - Rp1/8

Размер (L2) - 10

Размер (L3) - 50

Размер (d3) - 37,5 мм.

Размер (A) - 37 мм.

Размер (A1) - 12 мм.

Размер (B1) - 44,5 мм.

Размер (H) - 90 мм.

Размер (H1) - 76 мм.

Размер (L) - 98,5

Размер (L1) - 62 мм.

Размер (N) - 19 мм.

Размер (N1) - 18 мм.

Размер (T) - 51

Размер (A2) - 25

Размер (N2) - 32

Масса - 0,91 Кг

Грузоподъемность динамическая (C) - 14 кН

Грузоподъемность статическая (C0) - 7,8 кН

Количество дорожек качения - 1

Уплотнение - Есть

Цены указаны ознакомительные, для уточнения цены и наличия просим связаться с нами по телефону, или отправить заявку на почту - sales@specprompodshipnik.ru или по тел.: +7(499) 369-70-54

Возврат к списку