Подшипник RTUE 80 (NKE)

Подшипник RTUE 80 (NKE)

Технические характеристики

Обозначение : RTUE 80

Производитель : NKE

Диаметр внутренний, мм : 80

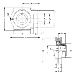
Технические данные из каталога производителя :

Внутренний диаметр (d) - 80 мм.

Размер (V) - 184

Размер (K1) - 70

Размер (O) - 47,6

Размер (A) - 230 мм.

Размер (B) - 50 мм.

Размер (D) - 28 мм.

Размер (E) - 70 мм.

Размер (F) - 20 мм.

Размер (G) - 35 мм.

Размер (H) - 140 мм.

Размер (K) - 41 мм.

Размер (L) - 71

Размер (M) - 165 мм.

Размер (R) - 108 мм.

Размер (T) - 110

Размер (W) - 120

Резьба (G) - R1/8“

Масса - 8,4 Кг

Количество дорожек качения - 1

Уплотнение - Есть

Цены указаны ознакомительные, для уточнения цены и наличия просим связаться с нами по телефону, или отправить заявку на почту - sales@specprompodshipnik.ru или по тел.: +7(499) 369-70-54

Возврат к списку