Подшипник RTUE 120 (NKE)

Подшипник RTUE 120 (NKE)

Технические характеристики

Обозначение : RTUE 120

Производитель : NKE

Диаметр внутренний, мм : 120

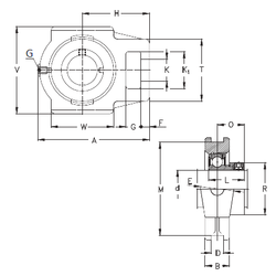
Технические данные из каталога производителя :

Внутренний диаметр (d) - 120 мм.

Размер (V) - 285

Размер (K1) - 95

Размер (O) - 52,5

Размер (A) - 345 мм.

Размер (B) - 70 мм.

Размер (D) - 32 мм.

Размер (E) - 100 мм.

Размер (F) - 35 мм.

Размер (G) - 45 мм.

Размер (H) - 210 мм.

Размер (K) - 55 мм.

Размер (L) - 81

Размер (M) - 255 мм.

Размер (R) - 152 мм.

Размер (T) - 150

Размер (W) - 190

Резьба (G) - R1/8“

Масса - 22,43 Кг

Количество дорожек качения - 1

Уплотнение - Есть

Цены указаны ознакомительные, для уточнения цены и наличия просим связаться с нами по телефону, или отправить заявку на почту - sales@specprompodshipnik.ru или по тел.: +7(499) 369-70-54

Возврат к списку