Подшипник RSRD25-150-L0 (INA)

Подшипник RSRD25-150-L0 (INA)

Технические характеристики

Обозначение : RSRD25-150-L0

Производитель : INA

Диаметр внутренний, мм : 25

Высота, мм : 21

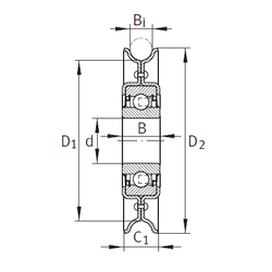
Технические данные из каталога производителя :

Внутренний диаметр (d) - 25 мм.

Размер (Bi) - 17

Размер (B) - 21 мм.

Размер (C1) - 24 мм.

Размер (D1) - 133 мм.

Размер (D2) - 154 мм.

Масса - 0,83 Кг

Грузоподъемность динамическая (C) - 14 кН

Грузоподъемность статическая (C0) - 7,8 кН

Количество дорожек качения - 1

Уплотнение - Есть

Цены указаны ознакомительные, для уточнения цены и наличия просим связаться с нами по телефону, или отправить заявку на почту - sales@specprompodshipnik.ru или по тел.: +7(499) 369-70-54

Возврат к списку