Подшипник RSRB16-222-L0 (INA)

Подшипник RSRB16-222-L0 (INA)

Технические характеристики

Обозначение : RSRB16-222-L0

Производитель : INA

Диаметр внутренний, мм : 16

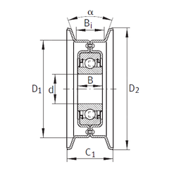
Технические данные из каталога производителя :

Внутренний диаметр (d) - 16 мм.

Размер (Bi) - 38

Угол наклона (?) - 10 Градусы

Размер (B) - 18,3 мм.

Размер (C1) - 50 мм.

Размер (D1) - 203 мм.

Размер (D2) - 222 мм.

Масса - 1,45 Кг

Грузоподъемность динамическая (C) - 9,8 кН

Грузоподъемность статическая (C0) - 4,75 кН

Количество дорожек качения - 1

Уплотнение - Есть

Цены указаны ознакомительные, для уточнения цены и наличия просим связаться с нами по телефону, или отправить заявку на почту - sales@specprompodshipnik.ru или по тел.: +7(499) 369-70-54

Возврат к списку