Подшипник RSRA17-102-K0-AH01 (INA)

Подшипник RSRA17-102-K0-AH01 (INA)

Технические характеристики

Обозначение : RSRA17-102-K0-AH01

Производитель : INA

Диаметр внутренний, мм : 17

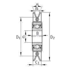
Технические данные из каталога производителя :

Внутренний диаметр (d) - 17 мм.

Размер (Bi) - 12,7

Угол наклона (?) - 34 Градусы

Размер (B) - 12 мм.

Размер (C1) - 22,2 мм.

Размер (D1) - 70,8 мм.

Размер (D2) - 102 мм.

Масса - 0,42 Кг

Грузоподъемность динамическая (C) - 9,8 кН

Грузоподъемность статическая (C0) - 4,75 кН

Количество дорожек качения - 1

Уплотнение - Есть

Цены указаны ознакомительные, для уточнения цены и наличия просим связаться с нами по телефону, или отправить заявку на почту - sales@specprompodshipnik.ru или по тел.: +7(499) 369-70-54

Возврат к списку