Подшипник RSHEY50-N (INA)

Подшипник RSHEY50-N (INA)

Технические характеристики

Обозначение : RSHEY50-N

Производитель : INA

Диаметр внутренний, мм : 50

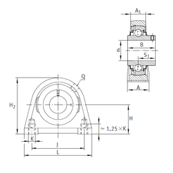
Технические данные из каталога производителя :

Внутренний диаметр (d) - 50 мм.

Резьба (Q) - Rp1/8

Резьба (K) - М16

Размер (A) - 54 мм.

Размер (A1) - 34 мм.

Размер (B) - 51,6 мм.

Размер (H) - 57,2 мм.

Размер (H2) - 115 мм.

Размер (J) - 101,6 мм.

Размер (L) - 135

Размер (S) - 32,6 мм.

Масса - 2,82 Кг

Грузоподъемность динамическая (C) - 35 кН

Грузоподъемность статическая (C0) - 23,2 кН

Количество дорожек качения - 1

Уплотнение - Есть

Цены указаны ознакомительные, для уточнения цены и наличия просим связаться с нами по телефону, или отправить заявку на почту - sales@specprompodshipnik.ru или по тел.: +7(499) 369-70-54

Возврат к списку