Подшипник RSHEY30-N (INA)

Подшипник RSHEY30-N (INA)

Технические характеристики

Обозначение : RSHEY30-N

Производитель : INA

Диаметр внутренний, мм : 30

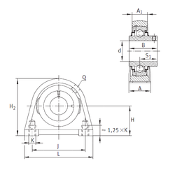
Технические данные из каталога производителя :

Внутренний диаметр (d) - 30 мм.

Резьба (Q) - Rp1/8

Резьба (K) - М10

Размер (A) - 40 мм.

Размер (A1) - 25 мм.

Размер (B) - 38,1 мм.

Размер (H) - 42,9 мм.

Размер (H2) - 82 мм.

Размер (J) - 76,2 мм.

Размер (L) - 98

Размер (S) - 22,2 мм.

Масса - 0,94 Кг

Грузоподъемность динамическая (C) - 19,5 кН

Грузоподъемность статическая (C0) - 11,3 кН

Количество дорожек качения - 1

Уплотнение - Есть

Цены указаны ознакомительные, для уточнения цены и наличия просим связаться с нами по телефону, или отправить заявку на почту - sales@specprompodshipnik.ru или по тел.: +7(499) 369-70-54

Возврат к списку