Подшипник RSHEY25-N (NKE)

Подшипник RSHEY25-N (NKE)

Технические характеристики

Обозначение : RSHEY25-N

Производитель : NKE

Диаметр внутренний, мм : 25

Высота, мм : 36

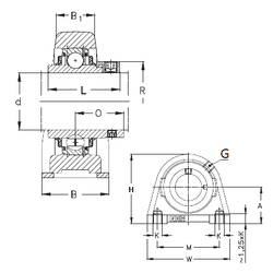
Технические данные из каталога производителя :

Внутренний диаметр (d) - 25 мм.

Размер (O) - 19,6

Размер (A) - 36,5 мм.

Размер (B) - 36 мм.

Размер (B1) - 21 мм.

Размер (H) - 70 мм.

Размер (L) - 34,1

Размер (M) - 50,8 мм.

Размер (W) - 70

Резьба (G) - R1/8“

Масса - 0,61 Кг

Резьба - M10

Количество дорожек качения - 1

Уплотнение - Есть

Цены указаны ознакомительные, для уточнения цены и наличия просим связаться с нами по телефону, или отправить заявку на почту - sales@specprompodshipnik.ru или по тел.: +7(499) 369-70-54

Возврат к списку