Подшипник RSHE60-N (NKE)

Подшипник RSHE60-N (NKE)

Технические характеристики

Обозначение : RSHE60-N

Производитель : NKE

Диаметр внутренний, мм : 60

Высота, мм : 60

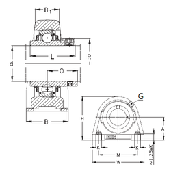
Технические данные из каталога производителя :

Внутренний диаметр (d) - 60 мм.

Размер (O) - 46,8

Размер (A) - 69,9 мм.

Размер (B) - 60 мм.

Размер (B1) - 42 мм.

Размер (H) - 140 мм.

Размер (L) - 77,8

Размер (M) - 118 мм.

Размер (R) - 84 мм.

Размер (W) - 150

Резьба (G) - R1/8“

Масса - 4,54 Кг

Резьба - M16

Количество дорожек качения - 1

Уплотнение - Есть

Цены указаны ознакомительные, для уточнения цены и наличия просим связаться с нами по телефону, или отправить заявку на почту - sales@specprompodshipnik.ru или по тел.: +7(499) 369-70-54

Возврат к списку