Подшипник RSHE55 (INA)

Подшипник RSHE55 (INA)

Технические характеристики

Обозначение : RSHE55

Производитель : INA

Диаметр внутренний, мм : 55

Технические данные из каталога производителя :

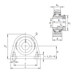
Внутренний диаметр (d) - 55 мм.

Резьба (Q) - Rp1/8

Резьба (K) - М16

Размер (d3) - 76 мм.

Размер (A) - 60 мм.

Размер (A1) - 35 мм.

Размер (B1) - 71,4 мм.

Размер (H) - 64 мм.

Размер (H2) - 125 мм.

Размер (J) - 118 мм.

Размер (L) - 150

Размер (S) - 43,6 мм.

Масса - 3,52 Кг

Грузоподъемность динамическая (C) - 43,5 кН

Грузоподъемность статическая (C0) - 29 кН

Количество дорожек качения - 1

Уплотнение - Есть

Цены указаны ознакомительные, для уточнения цены и наличия просим связаться с нами по телефону, или отправить заявку на почту - sales@specprompodshipnik.ru или по тел.: +7(499) 369-70-54

Возврат к списку