Подшипник RSHE50-N (NKE)

Подшипник RSHE50-N (NKE)

Технические характеристики

Обозначение : RSHE50-N

Производитель : NKE

Диаметр внутренний, мм : 50

Высота, мм : 54

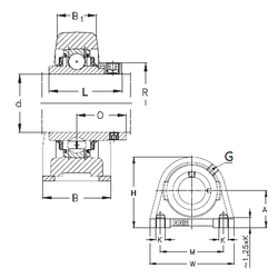
Технические данные из каталога производителя :

Внутренний диаметр (d) - 50 мм.

Размер (O) - 38,1

Размер (A) - 57,2 мм.

Размер (B) - 54 мм.

Размер (B1) - 34 мм.

Размер (H) - 115 мм.

Размер (L) - 62,7

Размер (M) - 101,6 мм.

Размер (R) - 69 мм.

Размер (W) - 135

Резьба (G) - R1/8“

Масса - 3,02 Кг

Резьба - M16

Количество дорожек качения - 1

Уплотнение - Есть

Цены указаны ознакомительные, для уточнения цены и наличия просим связаться с нами по телефону, или отправить заявку на почту - sales@specprompodshipnik.ru или по тел.: +7(499) 369-70-54

Возврат к списку