Подшипник RSAO90 (NKE)

Подшипник RSAO90 (NKE)

Технические характеристики

Обозначение : RSAO90

Производитель : NKE

Диаметр внутренний, мм : 90

Высота, мм : 120

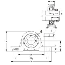
Технические данные из каталога производителя :

Внутренний диаметр (d) - 90 мм.

Размер (O) - 65,5

Размер (A) - 130 мм.

Размер (B) - 120 мм.

Размер (B1) - 84 мм.

Размер (C) - 57 мм.

Размер (H) - 250 мм.

Размер (K) - 28 мм.

Размер (L) - 101

Размер (M) - 314 мм.

Размер (M1) - 366 мм.

Размер (R) - 132 мм.

Размер (W) - 410

Резьба (G) - R1/8“

Масса - 29,5 Кг

Количество дорожек качения - 1

Уплотнение - Есть

Цены указаны ознакомительные, для уточнения цены и наличия просим связаться с нами по телефону, или отправить заявку на почту - sales@specprompodshipnik.ru или по тел.: +7(499) 369-70-54

Возврат к списку