Подшипник RSAO80 (NKE)

Подшипник RSAO80 (NKE)

Технические характеристики

Обозначение : RSAO80

Производитель : NKE

Диаметр внутренний, мм : 80

Высота, мм : 110

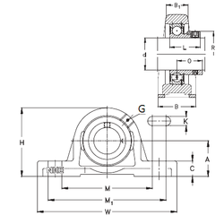
Технические данные из каталога производителя :

Внутренний диаметр (d) - 80 мм.

Размер (O) - 59,7

Размер (A) - 116 мм.

Размер (B) - 110 мм.

Размер (B1) - 76 мм.

Размер (C) - 50 мм.

Размер (H) - 226 мм.

Размер (K) - 25,5 мм.

Размер (L) - 93,7

Размер (M) - 296 мм.

Размер (M1) - 334 мм.

Размер (R) - 118 мм.

Размер (W) - 390

Резьба (G) - R1/8“

Масса - 22,5 Кг

Количество дорожек качения - 1

Уплотнение - Есть

Цены указаны ознакомительные, для уточнения цены и наличия просим связаться с нами по телефону, или отправить заявку на почту - sales@specprompodshipnik.ru или по тел.: +7(499) 369-70-54

Возврат к списку