Подшипник RSAO80 (INA)

Подшипник RSAO80 (INA)

Технические характеристики

Обозначение : RSAO80

Производитель : INA

Диаметр внутренний, мм : 80

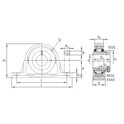
Технические данные из каталога производителя :

Внутренний диаметр (d) - 80 мм.

Размер (S1) - 59,7

Резьба (Q) - Rp1/8

Размер (d3) - 118 мм.

Размер (A) - 110 мм.

Размер (A1) - 76 мм.

Размер (B1) - 93,6 мм.

Размер (H) - 116 мм.

Размер (H1) - 50 мм.

Размер (H2) - 226 мм.

Размер (J) - 315 мм.

Размер (L) - 390

Размер (N) - 25,5 мм.

Размер (N1) - 44,5 мм.

Масса - 22,5 Кг

Грузоподъемность динамическая (C) - 123 кН

Грузоподъемность статическая (C0) - 87 кН

Количество дорожек качения - 1

Уплотнение - Есть

Цены указаны ознакомительные, для уточнения цены и наличия просим связаться с нами по телефону, или отправить заявку на почту - sales@specprompodshipnik.ru или по тел.: +7(499) 369-70-54

Возврат к списку