Подшипник RSAO70 (NKE)

Подшипник RSAO70 (NKE)

Технические характеристики

Обозначение : RSAO70

Производитель : NKE

Диаметр внутренний, мм : 70

Высота, мм : 90

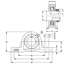
Технические данные из каталога производителя :

Внутренний диаметр (d) - 70 мм.

Размер (O) - 49,4

Размер (A) - 95 мм.

Размер (B) - 90 мм.

Размер (B1) - 54 мм.

Размер (C) - 35 мм.

Размер (H) - 187 мм.

Размер (K) - 27 мм.

Размер (L) - 75,4

Размер (M) - 267 мм.

Размер (M1) - 297 мм.

Размер (R) - 102 мм.

Размер (W) - 360

Резьба (G) - R1/8“

Масса - 11 Кг

Количество дорожек качения - 1

Уплотнение - Есть

Цены указаны ознакомительные, для уточнения цены и наличия просим связаться с нами по телефону, или отправить заявку на почту - sales@specprompodshipnik.ru или по тел.: +7(499) 369-70-54

Возврат к списку