Подшипник RSAO70 (INA)

Подшипник RSAO70 (INA)

Технические характеристики

Обозначение : RSAO70

Производитель : INA

Диаметр внутренний, мм : 70

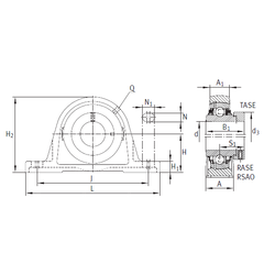
Технические данные из каталога производителя :

Внутренний диаметр (d) - 70 мм.

Размер (S1) - 49,4

Резьба (Q) - Rp1/8

Размер (d3) - 102 мм.

Размер (A) - 90 мм.

Размер (A1) - 54 мм.

Размер (B1) - 75,5 мм.

Размер (H) - 95 мм.

Размер (H1) - 35 мм.

Размер (H2) - 187 мм.

Размер (J) - 282 мм.

Размер (L) - 360

Размер (N) - 27 мм.

Размер (N1) - 42 мм.

Масса - 11 Кг

Грузоподъемность динамическая (C) - 104 кН

Грузоподъемность статическая (C0) - 68 кН

Количество дорожек качения - 1

Уплотнение - Есть

Цены указаны ознакомительные, для уточнения цены и наличия просим связаться с нами по телефону, или отправить заявку на почту - sales@specprompodshipnik.ru или по тел.: +7(499) 369-70-54

Возврат к списку