Подшипник RSAO60 (INA)

Подшипник RSAO60 (INA)

Технические характеристики

Обозначение : RSAO60

Производитель : INA

Диаметр внутренний, мм : 60

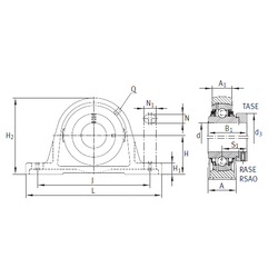
Технические данные из каталога производителя :

Внутренний диаметр (d) - 60 мм.

Размер (S1) - 45,4

Резьба (Q) - Rp1/8

Размер (d3) - 89 мм.

Размер (A) - 85 мм.

Размер (A1) - 46 мм.

Размер (B1) - 68,4 мм.

Размер (H) - 85 мм.

Размер (H1) - 32 мм.

Размер (H2) - 165 мм.

Размер (J) - 250 мм.

Размер (L) - 330

Размер (N) - 25 мм.

Размер (N1) - 38 мм.

Масса - 9 Кг

Грузоподъемность динамическая (C) - 82 кН

Грузоподъемность статическая (C0) - 52 кН

Количество дорожек качения - 1

Уплотнение - Есть

Цены указаны ознакомительные, для уточнения цены и наличия просим связаться с нами по телефону, или отправить заявку на почту - sales@specprompodshipnik.ru или по тел.: +7(499) 369-70-54

Возврат к списку