Подшипник RSAO40-N (NKE)

Подшипник RSAO40-N (NKE)

Технические характеристики

Обозначение : RSAO40-N

Производитель : NKE

Диаметр внутренний, мм : 40

Высота, мм : 60

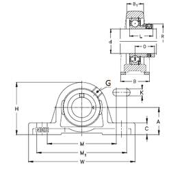
Технические данные из каталога производителя :

Внутренний диаметр (d) - 40 мм.

Размер (O) - 36,6

Размер (A) - 60 мм.

Размер (B) - 60 мм.

Размер (B1) - 31 мм.

Размер (C) - 22 мм.

Размер (H) - 116 мм.

Размер (K) - 17,5 мм.

Размер (L) - 54,6

Размер (M) - 160 мм.

Размер (M1) - 180 мм.

Размер (R) - 63 мм.

Размер (W) - 220

Резьба (G) - R1/8“

Масса - 3,18 Кг

Количество дорожек качения - 1

Уплотнение - Есть

Цены указаны ознакомительные, для уточнения цены и наличия просим связаться с нами по телефону, или отправить заявку на почту - sales@specprompodshipnik.ru или по тел.: +7(499) 369-70-54

Возврат к списку