Подшипник RSAO40 (INA)

Подшипник RSAO40 (INA)

Технические характеристики

Обозначение : RSAO40

Производитель : INA

Диаметр внутренний, мм : 40

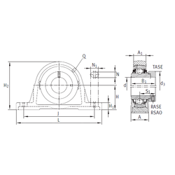
Технические данные из каталога производителя :

Внутренний диаметр (d) - 40 мм.

Размер (S1) - 36,6

Резьба (Q) - Rp1/8

Размер (d3) - 63 мм.

Размер (A) - 60 мм.

Размер (A1) - 31 мм.

Размер (B1) - 54,6 мм.

Размер (H) - 60 мм.

Размер (H1) - 22 мм.

Размер (H2) - 116 мм.

Размер (J) - 170 мм.

Размер (L) - 220

Размер (N) - 17,5 мм.

Размер (N1) - 27,5 мм.

Масса - 3,18 Кг

Грузоподъемность динамическая (C) - 44,5 кН

Грузоподъемность статическая (C0) - 26 кН

Количество дорожек качения - 1

Уплотнение - Есть

Цены указаны ознакомительные, для уточнения цены и наличия просим связаться с нами по телефону, или отправить заявку на почту - sales@specprompodshipnik.ru или по тел.: +7(499) 369-70-54

Возврат к списку