Подшипник RSAO35-N (NKE)

Подшипник RSAO35-N (NKE)

Технические характеристики

Обозначение : RSAO35-N

Производитель : NKE

Диаметр внутренний, мм : 35

Высота, мм : 56

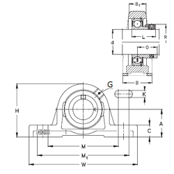
Технические данные из каталога производителя :

Внутренний диаметр (d) - 35 мм.

Размер (O) - 33,4

Размер (A) - 56 мм.

Размер (B) - 56 мм.

Размер (B1) - 30 мм.

Размер (C) - 20 мм.

Размер (H) - 106 мм.

Размер (K) - 17,5 мм.

Размер (L) - 51,6

Размер (M) - 152 мм.

Размер (M1) - 168 мм.

Размер (R) - 55 мм.

Размер (W) - 210

Резьба (G) - R1/8“

Масса - 2,75 Кг

Количество дорожек качения - 1

Уплотнение - Есть

Цены указаны ознакомительные, для уточнения цены и наличия просим связаться с нами по телефону, или отправить заявку на почту - sales@specprompodshipnik.ru или по тел.: +7(499) 369-70-54

Возврат к списку