Подшипник RSAO35 (INA)

Подшипник RSAO35 (INA)

Технические характеристики

Обозначение : RSAO35

Производитель : INA

Диаметр внутренний, мм : 35

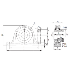
Технические данные из каталога производителя :

Внутренний диаметр (d) - 35 мм.

Размер (S1) - 33,4

Резьба (Q) - Rp1/8

Размер (d3) - 55 мм.

Размер (A) - 56 мм.

Размер (A1) - 30 мм.

Размер (B1) - 51,6 мм.

Размер (H) - 56 мм.

Размер (H1) - 20 мм.

Размер (H2) - 106 мм.

Размер (J) - 160 мм.

Размер (L) - 210

Размер (N) - 17,5 мм.

Размер (N1) - 25,5 мм.

Масса - 2,75 Кг

Грузоподъемность динамическая (C) - 36,5 кН

Грузоподъемность статическая (C0) - 20,9 кН

Количество дорожек качения - 1

Уплотнение - Есть

Цены указаны ознакомительные, для уточнения цены и наличия просим связаться с нами по телефону, или отправить заявку на почту - sales@specprompodshipnik.ru или по тел.: +7(499) 369-70-54

Возврат к списку