Подшипник RSAO30 (INA)

Подшипник RSAO30 (INA)

Технические характеристики

Обозначение : RSAO30

Производитель : INA

Диаметр внутренний, мм : 30

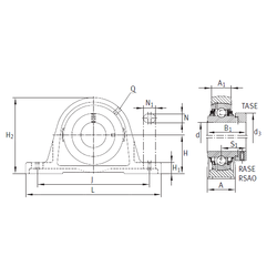
Технические данные из каталога производителя :

Внутренний диаметр (d) - 30 мм.

Размер (S1) - 32,5

Резьба (Q) - Rp1/8

Размер (d3) - 51 мм.

Размер (A) - 50 мм.

Размер (A1) - 28 мм.

Размер (B1) - 50 мм.

Размер (H) - 50 мм.

Размер (H1) - 18 мм.

Размер (H2) - 95 мм.

Размер (J) - 140 мм.

Размер (L) - 180

Размер (N) - 17,5 мм.

Размер (N1) - 20,5 мм.

Масса - 1,8 Кг

Грузоподъемность динамическая (C) - 29,5 кН

Грузоподъемность статическая (C0) - 16,7 кН

Количество дорожек качения - 1

Уплотнение - Есть

Цены указаны ознакомительные, для уточнения цены и наличия просим связаться с нами по телефону, или отправить заявку на почту - sales@specprompodshipnik.ru или по тел.: +7(499) 369-70-54

Возврат к списку