Подшипник RSAO100 (NKE)

Подшипник RSAO100 (NKE)

Технические характеристики

Обозначение : RSAO100

Производитель : NKE

Диаметр внутренний, мм : 100

Высота, мм : 130

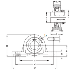
Технические данные из каталога производителя :

Внутренний диаметр (d) - 100 мм.

Размер (O) - 70

Размер (A) - 145 мм.

Размер (B) - 130 мм.

Размер (B1) - 94 мм.

Размер (C) - 65 мм.

Размер (H) - 280 мм.

Размер (K) - 32 мм.

Размер (L) - 109,5

Размер (M) - 360 мм.

Размер (M1) - 390 мм.

Размер (R) - 145 мм.

Размер (W) - 440

Резьба (G) - R1/8“

Масса - 41 Кг

Количество дорожек качения - 1

Уплотнение - Есть

Цены указаны ознакомительные, для уточнения цены и наличия просим связаться с нами по телефону, или отправить заявку на почту - sales@specprompodshipnik.ru или по тел.: +7(499) 369-70-54

Возврат к списку