Подшипник RRY30-VA (INA)

Подшипник RRY30-VA (INA)

Технические характеристики

Обозначение : RRY30-VA

Производитель : INA

Диаметр внутренний, мм : 30

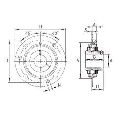
Технические данные из каталога производителя :

Внутренний диаметр (d) - 30 мм.

Размер (V) - 71

Размер (U) - 24,7

Количество крепежных отверстий - 3

Размер (A) - 9 мм.

Размер (B) - 38,1 мм.

Размер (H) - 112,7 мм.

Размер (J) - 90,5 мм.

Размер (N) - 10,5 мм.

Размер (S) - 2,5 мм.

Масса - 0,63 Кг

Количество дорожек качения - 1

Уплотнение - Есть

Цены указаны ознакомительные, для уточнения цены и наличия просим связаться с нами по телефону, или отправить заявку на почту - sales@specprompodshipnik.ru или по тел.: +7(499) 369-70-54

Возврат к списку