Подшипник RRTY25 (NKE)

Подшипник RRTY25 (NKE)

Технические характеристики

Обозначение : RRTY25

Производитель : NKE

Диаметр внутренний, мм : 25

Технические данные из каталога производителя :

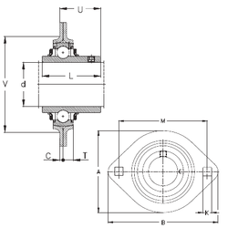
Внутренний диаметр (d) - 25 мм.

Размер (V) - 60

Размер (U) - 22,2

Размер (A) - 71 мм.

Размер (B) - 95,2 мм.

Размер (C) - 2 мм.

Размер (K) - 8,7 мм.

Размер (L) - 34,1

Размер (M) - 76 мм.

Размер (T) - 8,7

Масса - 0,3 Кг

Количество дорожек качения - 1

Уплотнение - Есть

Цены указаны ознакомительные, для уточнения цены и наличия просим связаться с нами по телефону, или отправить заявку на почту - sales@specprompodshipnik.ru или по тел.: +7(499) 369-70-54

Возврат к списку