Подшипник RRTY12 (NKE)

Подшипник RRTY12 (NKE)

Технические характеристики

Обозначение : RRTY12

Производитель : NKE

Диаметр внутренний, мм : 12

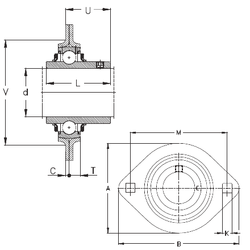
Технические данные из каталога производителя :

Внутренний диаметр (d) - 12 мм.

Размер (V) - 48

Размер (U) - 17,9

Размер (A) - 58,7 мм.

Размер (B) - 81 мм.

Размер (C) - 2 мм.

Размер (K) - 7,1 мм.

Размер (L) - 27,4

Размер (M) - 63,5 мм.

Размер (T) - 7

Масса - 0,17 Кг

Количество дорожек качения - 1

Уплотнение - Есть

Цены указаны ознакомительные, для уточнения цены и наличия просим связаться с нами по телефону, или отправить заявку на почту - sales@specprompodshipnik.ru или по тел.: +7(499) 369-70-54

Возврат к списку