Подшипник RRTR35 (INA)

Подшипник RRTR35 (INA)

Технические характеристики

Обозначение : RRTR35

Производитель : INA

Диаметр внутренний, мм : 35

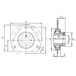
Технические данные из каталога производителя :

Внутренний диаметр (d) - 35 мм.

Размер (S1) - 2,5

Размер (V) - 81

Размер (U) - 34,8

Размер (d3) - 51 мм.

Размер (A) - 9,5 мм.

Размер (B1) - 51,3 мм.

Размер (H) - 122 мм.

Размер (H1) - 44,5 мм.

Размер (H2) - 105,6 мм.

Размер (J) - 100 мм.

Размер (N) - 10,5 мм.

Масса - 0,63 Кг

Количество дорожек качения - 1

Уплотнение - Есть

Цены указаны ознакомительные, для уточнения цены и наличия просим связаться с нами по телефону, или отправить заявку на почту - sales@specprompodshipnik.ru или по тел.: +7(499) 369-70-54

Возврат к списку