Подшипник RRTR30 (INA)

Подшипник RRTR30 (INA)

Технические характеристики

Обозначение : RRTR30

Производитель : INA

Диаметр внутренний, мм : 30

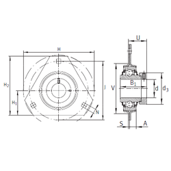
Технические данные из каталога производителя :

Внутренний диаметр (d) - 30 мм.

Размер (S1) - 2,5

Размер (V) - 71

Размер (U) - 32,6

Размер (d3) - 44 мм.

Размер (A) - 8,7 мм.

Размер (B1) - 48,5 мм.

Размер (H) - 112,7 мм.

Размер (H1) - 38,1 мм.

Размер (H2) - 93 мм.

Размер (J) - 90,5 мм.

Размер (N) - 10,5 мм.

Масса - 0,5 Кг

Количество дорожек качения - 1

Уплотнение - Есть

Цены указаны ознакомительные, для уточнения цены и наличия просим связаться с нами по телефону, или отправить заявку на почту - sales@specprompodshipnik.ru или по тел.: +7(499) 369-70-54

Возврат к списку