Подшипник RMEY90 (NKE)

Подшипник RMEY90 (NKE)

Технические характеристики

Обозначение : RMEY90

Производитель : NKE

Диаметр внутренний, мм : 90

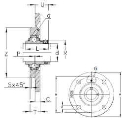
Технические данные из каталога производителя :

Внутренний диаметр (d) - 90 мм.

Размер (P) - -4

Размер (U) - 60,3

Размер (K) - 23

Размер (Z) - 190

Размер (A) - 265 мм.

Размер (C) - 20 мм.

Размер (L) - 96

Размер (M) - 220 мм.

Размер (S) - 3 мм.

Размер (T) - 32

Резьба (G) - R1/8“

Масса - 9,3 Кг

Количество дорожек качения - 1

Уплотнение - Есть

Цены указаны ознакомительные, для уточнения цены и наличия просим связаться с нами по телефону, или отправить заявку на почту - sales@specprompodshipnik.ru или по тел.: +7(499) 369-70-54

Возврат к списку