Подшипник RMEY90 (INA)

Подшипник RMEY90 (INA)

Технические характеристики

Обозначение : RMEY90

Производитель : INA

Диаметр внутренний, мм : 90

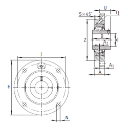
Технические данные из каталога производителя :

Внутренний диаметр (d) - 90 мм.

Размер (U) - 60,3

Резьба (Q) - Rp1/8

Размер (Z) - 190

Размер (A) - 32 мм.

Размер (A1) - 20 мм.

Размер (B) - 96 мм.

Размер (H) - 265 мм.

Размер (J) - 220 мм.

Размер (N) - 23 мм.

Размер (S) - 3 мм.

Размер (A2) - 4

Масса - 8,86 Кг

Грузоподъемность динамическая (C) - 96 кН

Грузоподъемность статическая (C0) - 72 кН

Количество дорожек качения - 1

Уплотнение - Есть

Цены указаны ознакомительные, для уточнения цены и наличия просим связаться с нами по телефону, или отправить заявку на почту - sales@specprompodshipnik.ru или по тел.: +7(499) 369-70-54

Возврат к списку