Подшипник RMEY65 (NKE)

Подшипник RMEY65 (NKE)

Технические характеристики

Обозначение : RMEY65

Производитель : NKE

Диаметр внутренний, мм : 65

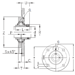
Технические данные из каталога производителя :

Внутренний диаметр (d) - 65 мм.

Размер (P) - 0

Размер (U) - 44,4

Размер (K) - 18

Размер (Z) - 150

Размер (A) - 215 мм.

Размер (C) - 18 мм.

Размер (L) - 74,6

Размер (M) - 177 мм.

Размер (S) - 6 мм.

Размер (T) - 32

Резьба (G) - R1/8“

Масса - 5,35 Кг

Количество дорожек качения - 1

Уплотнение - Есть

Цены указаны ознакомительные, для уточнения цены и наличия просим связаться с нами по телефону, или отправить заявку на почту - sales@specprompodshipnik.ru или по тел.: +7(499) 369-70-54

Возврат к списку